2022-03-30
来源:睛像科技
由于制造企业的高速发展,工厂规模越来越复杂。如今,制造业的核心竞争力正在发生剧烈变化,减少市场时间、增加弹性、提高质量、提高效率已经成为了工厂转型的重点目标。
北京睛像科技有限公司致力于工厂数字孪生系统,针对智慧工厂智能制造定制开发可视化管理平台。

平台架构
智能运营
基于数字孪生理念,结合客户业务场景,融合各业务系统的指标数据,提供各种范式的可视化能力。同时借助物联网、大数据、可视化、人工智能等新型数字化技术,构建工厂的智慧运营中心。
工厂的数字孪生能够协助规划、设计和建设厂房和基础设施;能用于厂房的测试、模拟和试运行。

流程规划
工厂内部的综合规划及排产系统,从MES到ERP,涵盖供应商和客户等外部伙伴;结合可视化功能,对资源可用性或需求的变化立即作出反应。

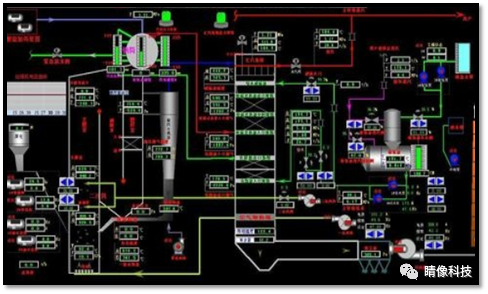
SCADA+模型
通过模型建模,建立设备与模型的一一对应关系,实现SCADA系统内设备选择及操作时3D场景自动化切换视角,通过点击3D场景图中某一设备乃至设备中的某一环节,自动弹出该设备的属性窗口。如设备数据出现异常,则通过模型显示异常状态,帮助管理者第一时间发现问题并进行调整。最终实现设备与模型的联动及深度融合展示。

“一张图”展示
将DCS运行过程中产生的数据进行可视化展示,辅助操作员对DCS系统的状态进行分析。具体为对DCS系统的数据进行读取并进行统计。将收集到的日志信息进行多维度、更精细的分析,由预防性维修向预测性维修转变。统计的结果以可视化图表的方式展示。

一体化管理
将可视化与MES系统结合,对产品进行数字化管理,将产品工程设计和生命周期管理与工厂运营结合起来,作为研发的一部分,有助于推动产品开发。
用于设计、模拟启动和持续运转;设定和优化关键参数,实现预防性维护和增强现实。

高度结合供应链系统
帮助集团化公司在整合内部多地区销售组织、销售终端和库存组织的基础上,与供应商建立协作关系、优化供应链过程、实现可视化。

预测性维护
在传感器数据和大数据分析的帮助下远程监控设备的动态情况,从而预测维护和维修;该技术有助于提高资源可用性,优化运维。

能耗可视
利用能源管理系统将企业及机构能用使用的情况进行可视化管理,发现用能过程中出现的跑冒滴漏现象,建立企业级的能效考核标准。系统通过实时监测能耗情况,分析能耗使用情况、设备运行状态,为节能方案的制定提供数据基础和节能效果的验证对比。

北京睛像科技有限公司成立于2017年,是一家专注于数字孪生和三维模拟仿真的高科技公司。总部位于北京,在深圳,广州,西安,苏州设有子公司或者办事处。公司基于三维可视化、XR(AR/VR/MR)、物联网、大数据等核心技术,将多年的技术积累与行业需求深度结合,自主研发了一系列行业可视化产品,如:数字孪生可视化基座、物联网大数据基座等产品,成功应用于智慧城市、园区楼宇,能源化工,航空航天、教育,汽车等多个领域,均取得了良好的口碑。
推荐
我要评论